Der Artikel wurde erfolgreich hinzugefügt.

K0030.210
von KIPP
Herstellernummer: K0030.210

KLEMME D=M02,5X8, FORM:B STAHL
K0030.210
Abbildung ähnlich
K0030.210
Abbildung ähnlich
   
Verkauf nur an Geschäftskunden.
Ihr Online-Preis:
23,98 € *

zzgl. MwSt. zzgl. Versandkosten

lieferbar in: 2-3 Arbeitstagen***

Gesamtpreis:  €23,98 € *
Wird versendet durch: HEINRICH KIPP WERK GmbH & Co. KG**
  • SC-1217-K0030.210
  • 4059245032099
  • 84662098
  • TW
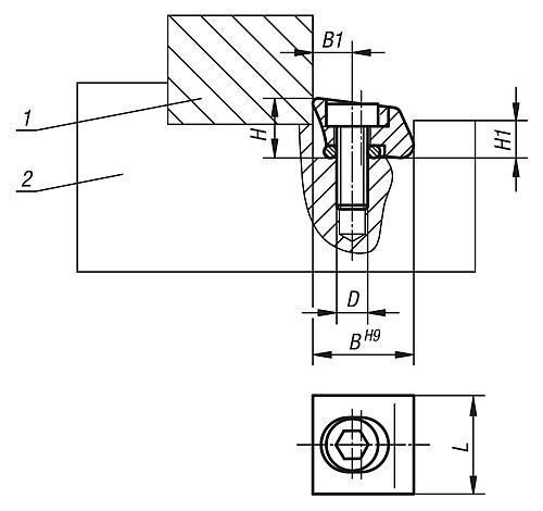
Beschreibung
Werkstoff: Klemmscheibe Stahl oder Messing. Ausführung: Stahl gehärtet. Bestellbeispiel:... mehr
Produktinformationen "K0030.210"
Werkstoff:
Klemmscheibe Stahl oder Messing.
Ausführung:
Stahl gehärtet.
Bestellbeispiel:
K0030.113
Hinweis:
Äußerst platzsparende Bauweise.
Keine Störkanten durch die seitliche Spannung.
Niederzugeffekt.
Zeichnungshinweis:
1) Werkstück
2) Vorrichtung
Downloads zu "K0030.210"