Der Artikel wurde erfolgreich hinzugefügt.

K0477.114
von KIPP
Herstellernummer: K0477.114

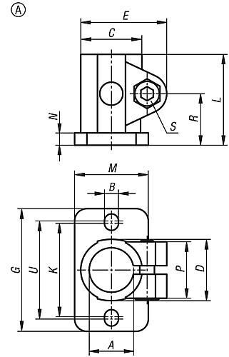
ROHRVERBINDER MIT FUß, FÜR RUNDROHRE, M=30, G=50, L=37, A=14,1, FORM:A, EDELSTAHL
K0477.114
Abbildung ähnlich
K0477.114
Abbildung ähnlich
   
Verkauf nur an Geschäftskunden.
Ihr Online-Preis:
28,66 € *

zzgl. MwSt. zzgl. Versandkosten

lieferbar in: 2-3 Arbeitstagen***

Gesamtpreis:  €28,66 € *
Wird versendet durch: HEINRICH KIPP WERK GmbH & Co. KG**
  • SC-1217-K0477.114
  • 4059245229727
  • 73072390
  • TW
Beschreibung
Werkstoff: Edelstahl Feinguss 1.4308. Zylinderschraube ISO 4762 und Sechskantmutter ISO 4032,... mehr
Produktinformationen "K0477.114"
Werkstoff:
Edelstahl Feinguss 1.4308.
Zylinderschraube ISO 4762 und Sechskantmutter ISO 4032, Edelstahl.

Ausführung:
elektrolytisch poliert.
Auf Anfrage:
Klemmhebel zur Befestigung.
Zubehör:
- Rund- und Vierkantrohre K0493
Downloads zu "K0477.114"