Der Artikel wurde erfolgreich hinzugefügt.

K0670.1036
von KIPP
Herstellernummer: K0670.1036

FUß MIT SCHWINGUNGSDÄMPFUNG EDELSTAHL 1.4404, KOMP:POLYURETHAN, D=36
K0670.1036
Abbildung ähnlich
K0670.1036
Abbildung ähnlich
   
Verkauf nur an Geschäftskunden.
Ihr Online-Preis:
9,08 € *

zzgl. MwSt. zzgl. Versandkosten

lieferbar in: 2-3 Arbeitstagen***

Gesamtpreis:  €9,08 € *
Wird versendet durch: HEINRICH KIPP WERK GmbH & Co. KG**
  • SC-1217-K0670.1036
  • 4059245332199
  • 73182900
  • DE
Beschreibung
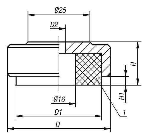
Werkstoff: Teller Stahl oder Edelstahl 1.4404. Dämmplatte PUR -Elastomer (Sylomer V12).... mehr
Produktinformationen "K0670.1036"
Werkstoff:
Teller Stahl oder Edelstahl 1.4404.
Dämmplatte PUR-Elastomer (Sylomer V12).
Ausführung:
Teller blau passiviert oder blank.
Dämmplatte grau, geklebt, rutschfest.
Einsatzbereich von -30 °C bis +70 °C.
Bestellbeispiel:
K0670.046
Hinweis:
Die in der Tabelle angegebene Belastbarkeit ist eine Empfehlung, bis zu welcher permanenten statischen Last das Dämpfungselement eingesetzt werden soll.
Diese statische Belastung entspricht einer Flächenpressung von 0,4 N/mm², bei welcher der Werkstoff seine optimalen Dämpfungseigenschaften erzielt. Dabei wird berücksichtigt, dass es bei der dynamischen Beanspruchung zu einer zusätzlichen Belastung, bis zu einer Pressung von 0,6 N/mm², kommt.
Die Dämmplatte absorbiert Vibrationen und verhindert ein Verrutschen des Tellers.
Zeichnungshinweis:
1) Dämmplatte
Downloads zu "K0670.1036"