Der Artikel wurde erfolgreich hinzugefügt.

K1506.0216
von KIPP
Herstellernummer: K1506.0216

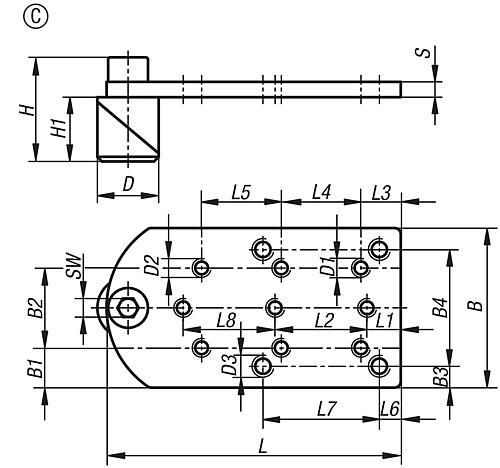
SPANNBOLZEN MIT ADAPTERPLATTE D=16, L=96, B=52 FORM:C, STAHL BRÜNIERT, KOMP:STAHL BRÜNIERT
K1506.0216
Abbildung ähnlich
K1506.0216
Abbildung ähnlich
K1506.0216
Abbildung ähnlich
     
Verkauf nur an Geschäftskunden.
Ihr Online-Preis:
33,79 € *

zzgl. MwSt. zzgl. Versandkosten

lieferbar in: 2-3 Arbeitstagen***

Gesamtpreis:  €33,79 € *
Wird versendet durch: HEINRICH KIPP WERK GmbH & Co. KG**
  • SC-1217-K1506.0216
  • 4059245488148
  • 84662098
  • DE
Beschreibung
Werkstoff: Adapterplatte Stahl. Klemmkeile Stahl 1.0715 oder Edelstahl 1.4305. Ausführung:... mehr
Produktinformationen "K1506.0216"
Werkstoff:
Adapterplatte Stahl.
Klemmkeile Stahl 1.0715 oder Edelstahl 1.4305.
Ausführung:
Adapterplatte verzinkt.
Klemmkeile brüniert oder blank.
Hinweis:
Die Adapterplatten ermöglichen eine Kompatibilität der Schnellspanner mit Lochbild 3 oder 4, für Lochrasterplatten oder Platten mit Bohrung Ø16 mm, Ø20 mm oder Ø28 mm.
Durch Drehen der Zylinderschraube werden die Spannbolzenteile in der Bohrung verspannt.
Downloads zu "K1506.0216"